【性能參數】
300X緩閉止回閥公稱通徑大小:DN20、DN25、DN32、DN40、DN50、DN65、DN80、DN100、DN125、DN150、DN200、DN250、DN300、DN350、DN400、DN450、DN500、DN600等。
300X緩閉止回閥公稱壓力大小:PN10、PN16以及PN25;
【工作原理】

【結構示意圖】

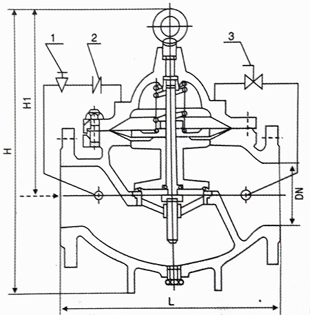
圖中標注數字注釋:1表示針形閥,2表示止回閥,3表示小球閥。
【安裝示意圖】

【主要外形尺寸】
| DN | L | A1 | A | H1 | H | F |
| 20 | 150 | 200 | 282 | 106 | 172 | 116 |
| 25 | 160 | 200 | 282 | 106 | 172 | 116 |
| 32 | 180 | 200 | 282 | 106 | 172 | 116 |
| 40 | 200 | 210 | 320 | 137 | 225 | 168 |
| 50 | 220 | 210 | 320 | 137 | 225 | 168 |
| 65 | 240 | 215 | 330 | 145 | 270 | 180 |
| 80 | 260 | 220 | 330 | 178 | 289 | 210 |
| 100 | 295 | 230 | 410 | 232 | 375 | 284 |
| 125 | 330 | 245 | 420 | 286 | 420 | 310 |
| 150 | 350 | 260 | 420 | 318 | 450 | 370 |
| 200 | 400 | 280 | 430 | 413 | 722 | 463 |
| 250 | 475 | 300 | 450 | 502 | 769 | 525 |
| 300 | 550 | 320 | 460 | 600 | 906 | 625 |
| 350 | 620 | 340 | 470 | 628 | 1480 | 705 |
| 400 | 700 | 360 | 480 | 677 | 1027 | 778 |
| 450 | 750 | 360 | 480 | 677 | 1027 | 778 |
| 500 | 800 | 410 | 780 | 750 | 1110 | 690 |
| 600 | 900 | 456 | 888 | 850 | 1286 | 785 |
聲明:本文中所有文字、數據、圖片均只適用于參考,性能參數、結構尺寸參數、價格等詳情,請聯系我們,電話:021-59170722!