【閥門用途】
D341F4蝸桿傳動襯氟蝶閥適用于各種不同類型工業管道中液體和氣體(包括蒸汽)的輸送,特別是具有嚴重腐蝕性介質的使用場合,如:硫酸、氫氟酸、磷酸、氯氣、強堿、王水等具有強腐蝕性的介質。
【閥門型號】
手動襯氟蝶閥型號:D41F4/P(半襯)、D41F46/P(半襯)、D41F4(全襯)、D41F46(全襯);
蝸輪襯氟蝶閥型號:D341F4/P(半襯)、D341F46/P(半襯)、D341F4(全襯)、D341F46/P(全襯);
氣動襯氟蝶閥型號:D641F4/P(半襯)、D641F46/P(半襯)、D641F4(全襯)、D641F46(全襯);
電動襯氟蝶閥型號:D941F4/P(半襯)、D941F46/P(半襯)、D941F4(全襯)、D941F46(全襯)。
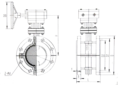
【結構示意圖】

【技術參數標準】
設計與制造標準:GB/T12238
結構長度標準:GB12221(短系列) ASME B16.10 JIS B2002
法蘭尺寸標準:HG/T20592-2009 ANS B1S52212
壓力試驗標準:GB/T13927-92 API 598
公稱壓力:0.6MPa、1.0MPa、1.6MPa、2.5MPa、CLASS150
驅動方式:氣動、手動、電動
連接方式:對夾、法蘭
【外形和連接尺寸】
DN (mm) | NPS (inch) | L | D | D1 | D2 | F | B | N-ФD | W | D0 | H | WT(kg) |
| PN0.6MPa |
| 40 | 1 1/2 | 106 | 130 | 100 | 90 | 3 | 16 | 4-Ф14 | 160 | - | 140 | 10 |
| 50 | 2 | 108 | 140 | 110 | 110 | 3 | 16 | 4-Ф14 | 200 | - | 160 | 12 |
| 65 | 2 1/2 | 112 | 160 | 130 | 125 | 3 | 16 | 4-Ф14 | 250 | - | 160 | 13 |
| 80 | 3 | 114 | 185 | 150 | 145 | 3 | 18 | 4-Ф18 | 250 | - | 170 | 14 |
| 100 | 4 | 127 | 205 | 170 | 175 | 3 | 18 | 4-Ф18 | 300 | - | 180 | 16 |
| 125 | 5 | 140 | 235 | 200 | 200 | 3 | 20 | 8-Ф18 | 300 | - | 275 | 18 |
| 150 | 6 | 140 | 260 | 225 | 200 | 3 | 20 | 8-Ф18 | - | 200 | 295 | 38 |
| 200 | 8 | 152 | 315 | 280 | 255 | 3 | 22 | 8-Ф18 | - | 200 | 320 | 74 |
| 250 | 10 | 250 | 370 | 335 | 310 | 3 | 24 | 12-Ф18 | - | 240 | 385 | 105 |
| 300 | 12 | 270 | 435 | 375 | 362 | 4 | 24 | 12-Ф23 | - | 240 | 390 | 142 |
| 350 | 14 | 290 | 485 | 445 | 412 | 4 | 26 | 12-Ф23 | - | 240 | 460 | 179 |
| 400 | 16 | 310 | 535 | 495 | 462 | 4 | 28 | 16-Ф23 | - | 280 | 510 | 220 |
| 450 | 18 | 330 | 590 | 550 | 518 | 4 | 28 | 16-Ф23 | - | 280 | 540 | 268 |
| 500 | 20 | 350 | 640 | 600 | 568 | 4 | 30 | 16-Ф23 | - | 320 | 570 | 378 |
| 600 | 24 | 390 | 755 | 705 | 670 | 5 | 30 | 20-Ф25 | - | 320 | 660 | 608 |
| 700 | 28 | 430 | 860 | 810 | 775 | 5 | 32 | 24-Ф25 | - | 360 | 710 | 1050 |
| 800 | 32 | 470 | 975 | 920 | 880 | 5 | 34 | 24-Ф30 | - | 360 | 780 | 1320 |
| 900 | 36 | 510 | 1075 | 1020 | 980 | 5 | 36 | 24-Ф30 | - | 380 | 885 | 1795 |
| 1000 | 40 | 550 | 1175 | 1120 | 1080 | 5 | 36 | 28-Ф30 | - | 400 | 990 | - |
| PN1.0MPa |
| 40 | 1 1/2 | 106 | 145 | 110 | 85 | 3 | 18 | 4-Ф18 | 160 | - | 140 | 10 |
| 50 | 2 | 108 | 160 | 125 | 100 | 3 | 20 | 4-Ф18 | 200 | - | 160 | 12 |
| 65 | 2 1/2 | 112 | 180 | 145 | 120 | 3 | 20 | 4-Ф18 | 250 | - | 165 | 14 |
| 80 | 3 | 114 | 195 | 160 | 135 | 3 | 22 | 4-Ф18 | 250 | - | 170 | 16 |
| 100 | 4 | 127 | 215 | 180 | 155 | 3 | 22 | 8-Ф18 | 300 | - | 180 | 18 |
| 125 | 5 | 140 | 245 | 210 | 185 | 3 | 24 | 8-Ф18 | 300 | - | 275 | 20 |
| 150 | 6 | 140 | 280 | 240 | 210 | 3 | 24 | 8-Ф23 | - | 200 | 295 | 38 |
| 200 | 8 | 152 | 335 | 295 | 265 | 3 | 26 | 8-Ф23 | - | 200 | 320 | 74 |
| 250 | 10 | 250 | 390 | 350 | 320 | 3 | 28 | 12-Ф23 | - | 240 | 385 | 105 |
| 300 | 12 | 270 | 440 | 400 | 368 | 4 | 28 | 12-Ф23 | - | 240 | 390 | 142 |
| 350 | 14 | 290 | 500 | 460 | 428 | 4 | 30 | 16-Ф23 | - | 240 | 460 | 179 |
| 400 | 16 | 310 | 565 | 515 | 482 | 4 | 32 | 16-Ф25 | - | 280 | 510 | 220 |
| 450 | 18 | 330 | 615 | 565 | 532 | 4 | 32 | 20-Ф25 | - | 280 | 540 | 268 |
| 500 | 20 | 350 | 380 | 620 | 585 | 4 | 34 | 20-Ф25 | - | 320 | 570 | 378 |
| 600 | 24 | 390 | 780 | 725 | 685 | 5 | 36 | 20-Ф30 | - | 320 | 660 | 608 |
| 700 | 28 | 430 | 895 | 840 | 800 | 5 | 40 | 20-Ф30 | - | 360 | 710 | 1050 |
| 800 | 32 | 470 | 1010 | 950 | 905 | 5 | 44 | 24-Ф34 | - | 360 | 780 | 1320 |
| 900 | 36 | 510 | 1110 | 1050 | 1005 | 5 | 46 | 28-Ф34 | - | 380 | 885 | 1795 |
| 1000 | 40 | 550 | 1220 | 1160 | 1115 | 5 | 50 | 28-Ф34 | - | 400 | 900 | 1900 |
聲明:本文中所有文字、數據、圖片均只適用于參考,性能參數、結構尺寸參數、價格等詳情,請聯系我們,電話:021-59170722!