【產品用途】
D71X、D371X、D671X、D971X型中線對夾蝶閥公稱壓力≤1.6MPa的食品、制藥、化工、石油、電力、輕紡、造紙等給排水、氣體管道上作調節流量和截流介質的作用。
【閥門型號】
中線對夾氣動蝶閥的常見型號有:d671x-10、d671x-16、d671f-10、d671f-16等。
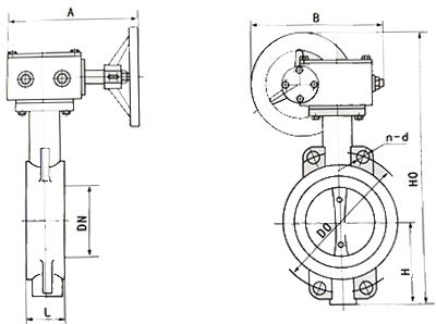
【結構示意圖】

【產品特點】
1、結構簡單緊湊、小型輕便,容易拆裝及維修,并可在任意位置安裝。
2、90°回轉,啟閉迅速。
3、由扭矩產生彈性密封,密封可靠。
4、選擇不同零部件材質,可適用于多種介質。
【執行標準】
設計規范: GB/T 12238
結構長度: GB/T 12221
法蘭連接: GB/T 9113
試驗與檢驗:GB/T 13927
【性能參數】
| 中線對夾蝶閥型號 | D371X-10 D371X-16 D371F-10 D371F-16 | D671X-10 D671X-16 D671F-10 D671F-16 | D971X-10 D971X-16 D971F-10 D971F-16 |
| 工作壓力(MPa) | 1.0~1.6 (PN10-PN16) |
| 適用溫度(℃) | ≤180℃ |
| 適用介質 | 空氣、水、蒸氣、煤氣、油品等 |
| 材料 | 閥體 | 鑄鐵 球鐵 碳鋼 不銹鋼 鋁合金 |
| 蝶板 | 鑄鐵 球鐵 碳鋼 不銹鋼 鋁合金 |
| 閥桿 | 2Cr13 F304 F316 |
| 密封面 | 橡膠 NBR EPDM PTFE |
| 填料 | 柔性石墨 PTFE |
【主要連接外形尺寸】
公稱通徑 (DN) | 主要外形尺寸 | 主要連接尺寸 |
| 1.0MPa | 1.6MPa | 2.5MPa |
| L | H | H0 | A | B | D0 | n-Фd | D0 | n-Фd | D0 | n-Фd |
| 50 | 43 | 63 | 315 | 180 | 65 | 110 | 4-Ф14 | 125 | 4-Ф18 | 125 | 4-Ф18 |
| 65 | 46 | 70 | 330 | 180 | 65 | 130 | 4-Ф14 | 145 | 4-Ф18 | 145 | 4-Ф18 |
| 80 | 46 | 83 | 390 | 245 | 72 | 150 | 4-Ф18 | 160 | 8-Ф18 | 160 | 8-Ф18 |
| 100 | 52 | 105 | 431 | 240 | 72 | 170 | 4-Ф18 | 180 | 8-Ф18 | 180 | 8-Ф18 |
| 125 | 56 | 115 | 455 | 240 | 72 | 200 | 8-Ф18 | 210 | 8-Ф18 | 210 | 8-Ф18 |
| 150 | 56 | 137 | 626 | 350 | 93 | 225 | 8-Ф18 | 240 | 8-Ф22 | 240 | 8-Ф22 |
| 200 | 60 | 164 | 720 | 350 | 93 | 280 | 8-Ф18 | 295 | 8-Ф22 | 295 | 12-Ф22 |
| 250 | 68 | 206 | 800 | 550 | 350 | 335 | 12-Ф18 | 350 | 12-Ф22 | 355 | 12-Ф26 |
| 300 | 78 | 230 | 860 | 600 | 350 | 395 | 12-Ф22 | 400 | 12-Ф22 | 410 | 12-Ф26 |
| 350 | 78 | 248 | 883 | 600 | 350 | 445 | 12-Ф22 | 460 | 16-Ф22 | 470 | 16-Ф26 |
| 400 | 102 | 289 | 972 | 600 | 350 | 495 | 16-Ф22 | 515 | 16-Ф26 | 525 | 16-Ф30 |
| 450 | 114 | 320 | 1043 | 750 | 380 | 550 | 16-Ф22 | 565 | 20-Ф26 | 585 | 20-Ф30 |
| 500 | 127 | 343 | 1098 | 750 | 380 | 600 | 20-Ф22 | 620 | 20-Ф26 | 650 | 20-Ф33 |
| 600 | 154 | 413 | 1236 | 750 | 380 | 705 | 20-Ф26 | 725 | 20-Ф30 | 770 | 20-Ф36 |
| 700 | 165 | 478 | 1431 | 750 | 380 | 810 | 24-Ф26 | 840 | 24-Ф30 | 840 | 24-Ф36 |
| 800 | 190 | 525 | 1488 | 750 | 380 | 920 | 24-Ф30 | 950 | 24-Ф33 | 950 | 24-Ф39 |
| 900 | 203 | 620 | 1655 | 125 | 380 | 1020 | 24-Ф30 | 1050 | 28-Ф33 | 1050 | 28-Ф39 |
| 1000 | 216 | 725 | 1765 | 1500 | 580 | 1120 | 28-Ф30 | 1160 | 28-Ф36 | 1170 | 28-Ф42 |
| 1200 | 254 | 780 | 1976 | 1500 | 580 | 1340 | 32-Ф33 | 1380 | 32-Ф39 | 1390 | 32-Ф48 |
聲明:本文中所有文字、數據、圖片均只適用于參考,性能參數、結構尺寸參數、液動蝶閥價格等詳情,請聯系我們,電話:021-59170722!