【產品用途】
D71X、D371X、D671X、D971X型中線對夾式蝶閥公稱壓力≤1.6MPa的食品、制藥、化工、石油、電力、輕紡、造紙等給排水、氣體管道上作調節流量和截流介質的作用。
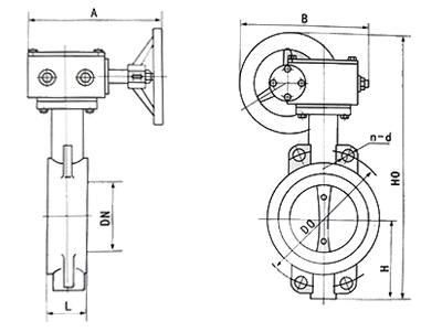
【結構示意圖】

【閥門型號】
常見的中線對夾式蝶閥型號有:d71x、d371x-10、d371x-16、d371x-25、d371f-10、d371f-16、d671x-6、d671x-10、d671x-16、d671f-10、d671f-16、d971x-6、d971x-10、d971x-16、d971f-10、d971f-16等。
【產品特點】
1、結構簡單緊湊、小型輕便,容易拆裝及維修,并可在任意位置安裝。
2、90°回轉,啟閉迅速。
3、由扭矩產生彈性密封,密封可靠。
4、選擇不同零部件材質,可適用于多種介質。
【執行標準】
設計規范: GB/T 12238
結構長度: GB/T 12221
法蘭連接: GB/T 9113
試驗與檢驗:GB/T 13927
【性能參數】
| 工作壓力(MPa) | 1.0~1.6 (PN10-PN16) |
| 適用溫度(℃) | ≤180℃ |
| 適用介質 | 空氣、水、蒸氣、煤氣、油品等 |
| 材料 | 閥體 | 鑄鐵 球鐵 碳鋼 不銹鋼 鋁合金 |
| 蝶板 | 球鐵 碳鋼 不銹鋼 鋁合金 |
| 鑄鐵 | 2Cr13 F304 F316 |
| 閥桿 | 橡膠 NBR EPDM PTFE |
| 密封面 | 填料柔性石墨 PTFE |
【外形尺寸】
| DN | L | H | H0 | A | B |
| 50 | 43 | 63 | 306 | 180 | 200 |
| 65 | 46 | 70 | 321 | 180 | 200 |
| 80 | 46 | 83 | 346 | 180 | 200 |
| 100 | 52 | 105 | 387 | 180 | 200 |
| 125 | 56 | 115 | 411 | 180 | 200 |
| 150 | 56 | 137 | 447 | 270 | 280 |
| 200 | 60 | 164 | 572 | 270 | 280 |
| 250 | 68 | 206 | 646 | 270 | 280 |
| 300 | 78 | 230 | 738 | 380 | 420 |
| 350 | 78 | 248 | 761 | 380 | 420 |
| 400 | 102 | 289 | 877 | 450 | 470 |
| 450 | 114 | 320 | 938 | 480 | 490 |
| 500 | 127 | 343 | 993 | 480 | 490 |
| 650 | 154 | 413 | 1131 | 480 | 490 |
| 700 | 165 | 478 | 1476 | 640 | 660 |
| 800 | 190 | 525 | 1533 | 640 | 660 |
| 900 | 203 | 585 | 1655 | 750 | 860 |
| 1000 | 216 | 640 | 1765 | 850 | 900 |
| 1200 | 254 | 755 | 1995 | 850 | 900 |
聲明:本文中所有文字、數據、圖片均只適用于參考,性能參數、結構尺寸參數、液動蝶閥價格等詳情,請聯系我們,電話:021-59170722!