
【產品用途】
D73H、D373H、D673H、D973H型PN10~PN100三偏心對夾硬密封電動蝶閥采用精密的J形彈性密封圈和三偏心多層次金屬硬密封結構,被廣泛用于介質溫度≤400℃的治金、電力、石油化工、以及給排水和市政建設等工業管道上,作調節流量和載斷流體使用。
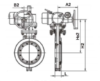
【結構示意圖】

【閥門型號】
常見的三偏心對夾硬密封電動蝶閥型號有:d973h-6、d973h-10、d973h-16、d973h-25、d973h-40、d973h-64、d973h-100、d973y-6、d973y-10、d973y-16、d973y-25、d973y-40、d973y-100等。
【產品特點】
1、對夾金屬多層次密封蝶閥對夾連接結構簡單,方便安裝與拆卸,重量輕的特點。金屬硬密封蝶閥采用三偏心密封結構,閥座與蝶板幾乎無磨損,具有越觀越緊的密封功能。
2、密封圈選用不銹鋼制作,具有金屬硬密封和彈性密封的雙重優點,無論在低溫和高溫的情況下,均具有優良的密封性能,具有耐腐蝕,使用壽命長等特點。
3、蝶板密封面采用堆焊鈷基硬質合金,密封面耐磨損,使用壽命長。
4、大規格蝶板采用絎架結構,強度高,過流面積大,流阻小。
5、金屬硬密封蝶閥具有雙向密封功能,安裝時不受介質流向的限制,也不受空間位置的影響,可在任何方向安裝。
6、驅動裝置可以多工位(旋轉90°或180°)安裝,便于用戶使用。
【執行標準】
設計規范: GB/T 12238 API609
結構長度: GB/T 12221 API609 ASME B16.10
法蘭連接: GB/T 9113 API609 ASME B16.5 ISO5752
試驗與檢驗:GB/T 13927 API598
【性能參數】
| 工作壓力(MPa) | 0.6~10.0 (PN6-PN100) |
| 適用溫度(℃) | ≤400℃ |
| 適用介質 | 水、油、氣、醋酸類、硝酸類等其他介質 |
| 材料 | 閥體 | WCB CF8 CF8 鉻鉬鋼 低溫鋼 鎳合金 Monel Duplex Steel |
| 蝶板 | WCB CF8 CF8 鉻鉬鋼 低溫鋼 鎳合金 Monel Duplex Steel |
| 閥桿 | 2Cr13 F304 F316鉻鉬鋼 低溫鋼 鎳合金 Monel |
| 密封面 | SS+柔性石墨 不銹鋼司太立合金 碳化鎢 鎳合金 Monel |
| 填料 | 柔性石墨 PTFE |
【外形尺寸】
以下相關尺寸在結構示意圖中已經標出,若有不懂可查看。
| PN | DN | L | H2 | Ho2 | B2 | A2 |
0.6MPa 1.0MPa | 80 | 64 | 320 | 185 | 178 | 180 |
| 100 | 64 | 340 | 198 | 178 | 180 |
| 125 | 70 | 340 | 205 | 178 | 180 |
| 150 | 76 | 415 | 241 | 178 | 180 |
| 200 | 89 | 512 | 263 | 235 | 370 |
| 250 | 114 | 570 | 292 | 235 | 370 |
| 300 | 114 | 668 | 340 | 235 | 370 |
| 350 | 127 | 745 | 385 | 235 | 370 |
| 400 | 140 | 827 | 425 | 235 | 370 |
| 450 | 152 | 915 | 462 | 235 | 370 |
| 500 | 152 | 995 | 500 | 235 | 370 |
| 600 | 178 | 1183 | 605 | 245 | 515 |
| 700 | 229 | 1460 | 734 | 245 | 515 |
| 800 | 241 | 1589 | 803 | 245 | 515 |
| 900 | 241 | 1856 | 990 | 360 | 540 |
| 1000 | 300 | 1958 | 1050 | 360 | 540 |
| 1200 | 360 | 2013 | 1165 | 360 | 540 |
| 1.6MPa | 80 | 64 | 513 | 265 | 178 | 180 |
| 100 | 64 | 538 | 282 | 178 | 180 |
| 125 | 70 | 560 | 295 | 178 | 180 |
| 150 | 76 | 605 | 300 | 178 | 180 |
| 200 | 89 | 749 | 321 | 235 | 370 |
| 250 | 114 | 803 | 330 | 235 | 370 |
| 300 | 114 | 880 | 365 | 235 | 370 |
| 350 | 127 | 960 | 410 | 235 | 370 |
| 400 | 140 | 1032 | 445 | 235 | 370 |
| 450 | 152 | 1118 | 487 | 235 | 370 |
| 500 | 152 | 1190 | 520 | 235 | 370 |
| 600 | 178 | 1380 | 625 | 235 | 370 |
| 700 | 229 | 1582 | 745 | 245 | 515 |
| 800 | 241 | 1713 | 810 | 245 | 515 |
| 900 | 241 | 1870 | 875 | 360 | 540 |
| 1000 | 300 | 2000 | 940 | 360 | 540 |
| 1200 | 360 | 2118 | 1060 | 360 | 540 |
| 2.5MPa | 80 | 64 | 552 | 265 | 178 | 180 |
| 100 | 64 | 585 | 290 | 178 | 180 |
| 125 | 70 | 610 | 305 | 178 | 180 |
| 150 | 76 | 765 | 315 | 178 | 180 |
| 200 | 89 | 820 | 304 | 235 | 370 |
| 250 | 114 | 910 | 336 | 235 | 370 |
| 300 | 114 | 1000 | 386 | 235 | 370 |
| 350 | 127 | 1055 | 425 | 235 | 370 |
| 400 | 140 | 1108 | 456 | 235 | 370 |
| 450 | 152 | 1140 | 490 | 235 | 370 |
| 500 | 152 | 1238 | 552 | 235 | 370 |
| 600 | 178 | 1399 | 635 | 245 | 515 |
| 700 | 229 | 1611 | 750 | 360 | 540 |
| 800 | 241 | 1782 | 820 | 360 | 540 |
| 900 | 241 | 1915 | 886 | 385 | 565 |
| 1000 | 300 | 2040 | 945 | 385 | 565 |
| 1200 | 360 | 2184 | 1053 | 400 | 770 |
聲明:本文中所有文字、數據、圖片均只適用于參考,性能參數、結構尺寸參數、液動蝶閥價格等詳情,請聯系我們,電話:021-59170722!