【產品用途】
H41H、H41Y升降式止回閥系列產品可適用于水、蒸汽、氣體、腐蝕性介質、食品、油品、藥品等。
【產品特點】
1、閥瓣行程僅為閥瓣直徑的1/3,大大減少了閥瓣關閉所需時間,有效降低了升降式止回閥的水錘壓力。
2、密封面采用合金鋼或硬質合金,密封副材料配對合理,使用壽命長。
【執行標準】
設計規范: GB/T 12235 BS 1868
結構長度: GB/T 12221 ASME B16.10
法蘭連接: GB/T 9113 ASME B16.5
試驗與檢驗:GB/T 13927 API 598 API 6D
【性能參數】
| 型號 | H41H | H41Y | H41F |
| 工作壓力(MPa) | 1.6~10.0 (Calss150-Calss600) |
| 口徑(mm) | DN32-DN900 1-1/4″-8″ |
| 適用介質 | 水、油、氣、醋酸類、硝酸類等其他介質 |
| 可選材料 | 閥體 | WCB CF8 CF8M 鉻鉬鋼 低溫鋼 鎳合金 Monel Duplex Steel |
| 閥瓣 | WCB CF8 CF8M 鉻鉬鋼 低溫鋼 鎳合金 Monel Duplex Steel |
| 閥桿 | 2Cr13 F304 F316鉻鉬鋼 低溫鋼 鎳合金 Monel |
| 密封面 | 不銹鋼 司太立合金 碳化鎢 鎳合金 Monel PTFE |
【流量系數】
| 規格(DN) | 80 | 100 | 125 | 150 | 200 |
| 流量系數(Cv) | 105 | 189 | 381 | 428 | 798 |
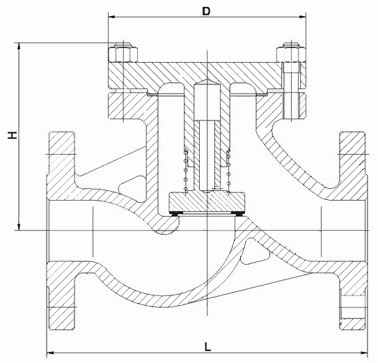
【結構簡圖】

【外形尺寸】

聲明:本文中所有文字、數據、圖片均只適用于參考,性能參數、結構尺寸參數、價格等詳情,請聯系我們,電話:021-59170722!